Rockchip RK3568 In-Vehicle Solution Design for 4-Channel AHD-1080P Cameras
1. Introduction
With the rapid development of intelligent driving and in-vehicle monitoring systems, in-vehicle cameras, as core components, significantly impact the overall performance of the system. Common camera interfaces include MIPI, USB, DVP, etc. However, MIPI cameras are limited by the transmission distance of high-speed signals, resulting in short wiring distances, which restricts their use in security and automotive applications. Therefore, AHD technology, which extends the data transmission distance of cameras, has gained popularity. The Rockchip RK3568, a high-performance processor, with its powerful image processing capabilities and support for multi-channel video input, has become an ideal choice for in-vehicle solution design. This article explores the design of a 4-channel AHD-1080P camera solution based on the RK3568.
2. Overview of Rockchip RK3568
The RK3568 is a quad-core processor based on the ARM architecture, featuring the following characteristics:
●High performance: Quad-core Cortex-A55, with a main frequency of up to 2.0GHz, supporting multi-tasking.
●Image processing: Integrated Mali-G52 GPU, supporting 4K video decoding and 1080P encoding.
●Multi-channel video input: Supports multiple camera inputs, suitable for in-vehicle multi-camera applications.
●Low power consumption: Utilizes advanced manufacturing processes, with low power consumption, suitable for in-vehicle environments.
3. AHD-1080P Camera Technology
AHD (Analog High Definition) is an analog high-definition video transmission technology. AHD cameras are analog and require an AD conversion chip to convert the signal to digital for reception by the main controller. It offers the following advantages:
●High-definition image quality: Supports 1080P resolution, providing clear images.
●Long-distance transmission: Can transmit up to 500 meters via coaxial cable.
●Strong compatibility: Compatible with traditional analog systems, easy to upgrade.

Figure 1: AHD Camera
4. 4-Channel AHD-1080P Camera Solution Design
4.1 System Architecture
The system architecture includes:
●Camera module: 4-channel AHD-1080P cameras, responsible for front, rear, left, and right views.
●Video processing module: The RK3568 processor handles video decoding, processing, and encoding.
●Storage module: Built-in eMMC or external SD card for storing video data.
●Display module: Supports multi-screen display for real-time viewing of each camera feed.
●Communication module: Supports 4G/5G, Wi-Fi, Bluetooth, etc., enabling remote monitoring and data transmission.
4.2 Conversion Chip
Common conversion chips include:
NVP series: NVP6188/NVP6324/NVP6158C
TP series: TP2815/TP9950/TP9930/TP2825
RN series: RN6854/RN6752
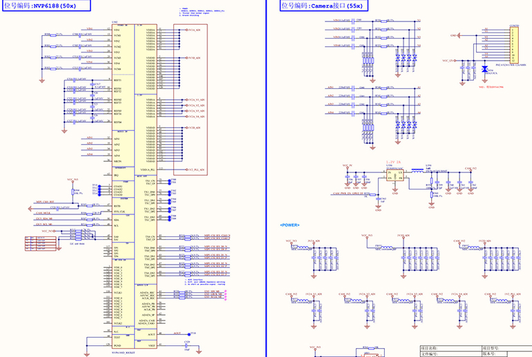
This article uses the NVP6188:
The NVP6188 includes a universal 4-channel RX with MIPI-CSI2 interface and a 5-channel audio codec with AOC (Analog Over Coax). It can decode high-quality analog HD video formats as well as traditional NTSC/PAL video formats. It accepts CVBS, COMET, and universal 1M ~ 8M@15P inputs from cameras and other video sources, then processes clamping/AGC/YC separation and converts to MIPI-CSI2 format. The MIPI-CSI2 interface complies with MIPI D-PHY v1.1. AOC is a method of transmitting analog audio signals along with analog video signals (AHD only) in specific timing sections. Using AOC requires specific AOC cameras to support AOC transmission, in which case audio transmission does not require additional cables.
The NVP6188 can use traditional transmission cables for COMET (SD level), 1M (HD level), 2M (FHD level), 4M (QHD level), and 8M 15P (UHD level), providing superior image quality by minimizing interference when separating Y and C.
The 5-channel audio codec supports 4-channel voice/1-channel microphone PCM codec, using 8-bit/16-bit linear PCM, 8-bit G.711 (u-law, a-law) PCM to process voice band signals (300Hz~3400Hz). The built-in audio controller can generate digital output for recording/mixing and accept digital input for playback.
It supports 4-channel universal coaxial communication protocol for communication between the controller (DVR) and the camera via coaxial cable.
4.2 Hardware Design
Camera interface: The RK3568 supports multi-channel video input, converting analog signals to digital via AHD receiver chips.
Video processing: The RK3568 has a built-in ISP, supporting H.265 encoding to reduce storage and transmission bandwidth requirements.
Power management: Design efficient power management circuits to ensure stable system operation.

Figure 2: NVP6188 Circuit Diagram
4.3 Software Design
Operating system: Android, facilitating development and customization.
Drivers: Develop AHD camera drivers to ensure correct reception and processing of video data.
Applications: Develop multi-channel video display, recording, playback, and other functions, supporting remote monitoring and alerts.

Figure 3: Multi-channel AHD Display
5. Solution Advantages
High-definition image quality: 1080P resolution provides clear images, enhancing driving safety.
Multi-channel support: 4-channel cameras for comprehensive monitoring without blind spots.
Efficient processing: The RK3568's powerful processing capabilities ensure smooth system operation.
Low power consumption: Suitable for long-term in-vehicle use.
Easy expansion: Supports various communication methods, facilitating functional expansion.
6. Application Scenarios
In-vehicle monitoring: Real-time monitoring of vehicle interior and exterior for safety.
Intelligent driving: Provides high-definition video data for ADAS, assisting driving decisions.
Commercial fleet management: Monitors fleet operations, improving management efficiency.
7. Conclusion
The 4-channel AHD-1080P camera solution based on the Rockchip RK3568, with its high-definition image quality, multi-channel support, and efficient processing capabilities, has broad application prospects in in-vehicle monitoring and intelligent driving. In the future, with technological advancements, this solution will be further improved, driving the development of in-vehicle systems.
The above is the content of the 4-channel AHD-1080P camera solution design based on the Rockchip RK3568. We hope it is helpful to you.
Hangzhou Weathink Electronics Co., Ltd., as a professional motherboard design company, has mature applications in in-vehicle AHD camera display solutions. Feel free to contact Weathink at any time. We provide independently designed RK3568 SOM and stable and reliable industrial computers.
https://www.weathink.com/products/hexinban/13.html

